极悦娱乐
021-66930127
services@ushinedev.com
首页
冷轧与商品钢卷
冷轧与商品钢卷
定制冷轧带钢
常见品级
更多品级
不锈钢
商品卷的期货订购
商品原卷的售卖
产品中心
工艺与生产
工艺与生产
极佳的生产
工艺的多样性
可供应的精度
多面的检测
专心的交付
新闻与资讯
新闻与资讯
行业新闻
熟悉与应用
谋划动态
行业参考标准
关于极悦娱乐
关于极悦娱乐
极悦娱乐的愿景
极悦娱乐的生长
相助的同伴
人力资源
社会招聘
校园招聘
联系极悦娱乐
获取报价
联系极悦娱乐
首页
>
新闻与资讯
>
行业参考标准
时间:2025-07-07
浏览:627次
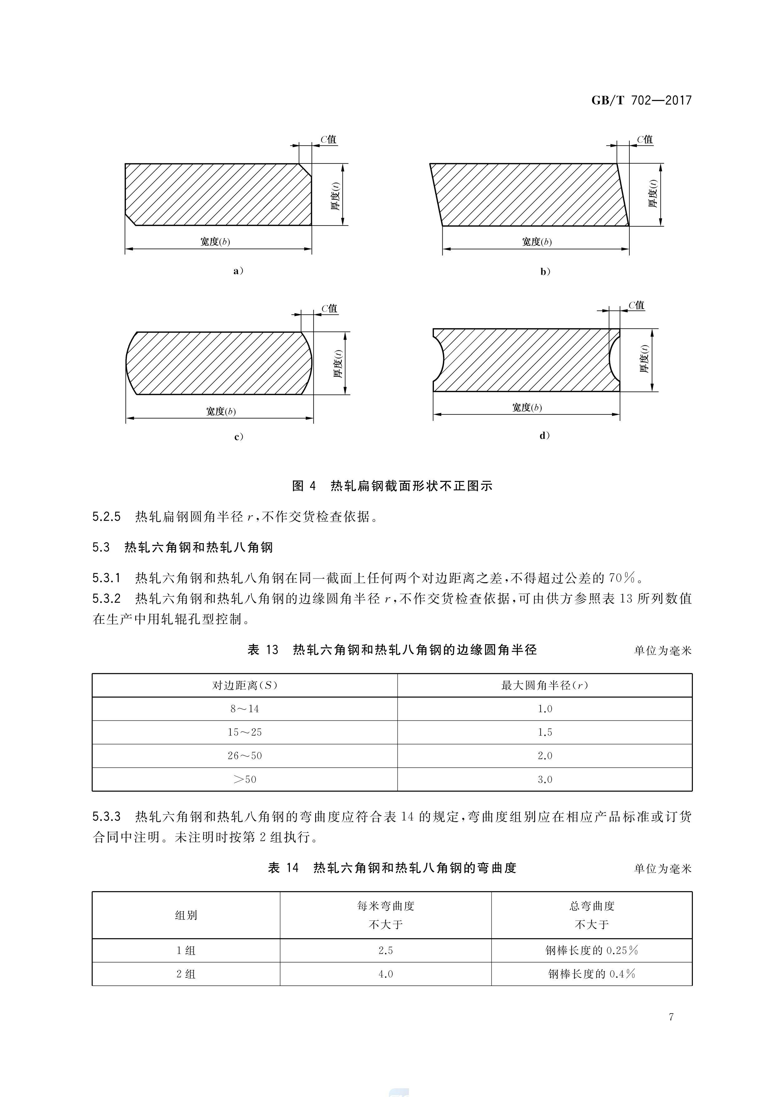
国标GB/T 702-2017 热轧钢棒 执行标准和规范
联系与支持
康女士
+86 155 0217 5701
kmeng@ushinedev.com
相关阅读
行业新闻
工艺的多样性
可供应的精度
商品原卷的售卖
获取报价
【网站地图】
【sitemap】