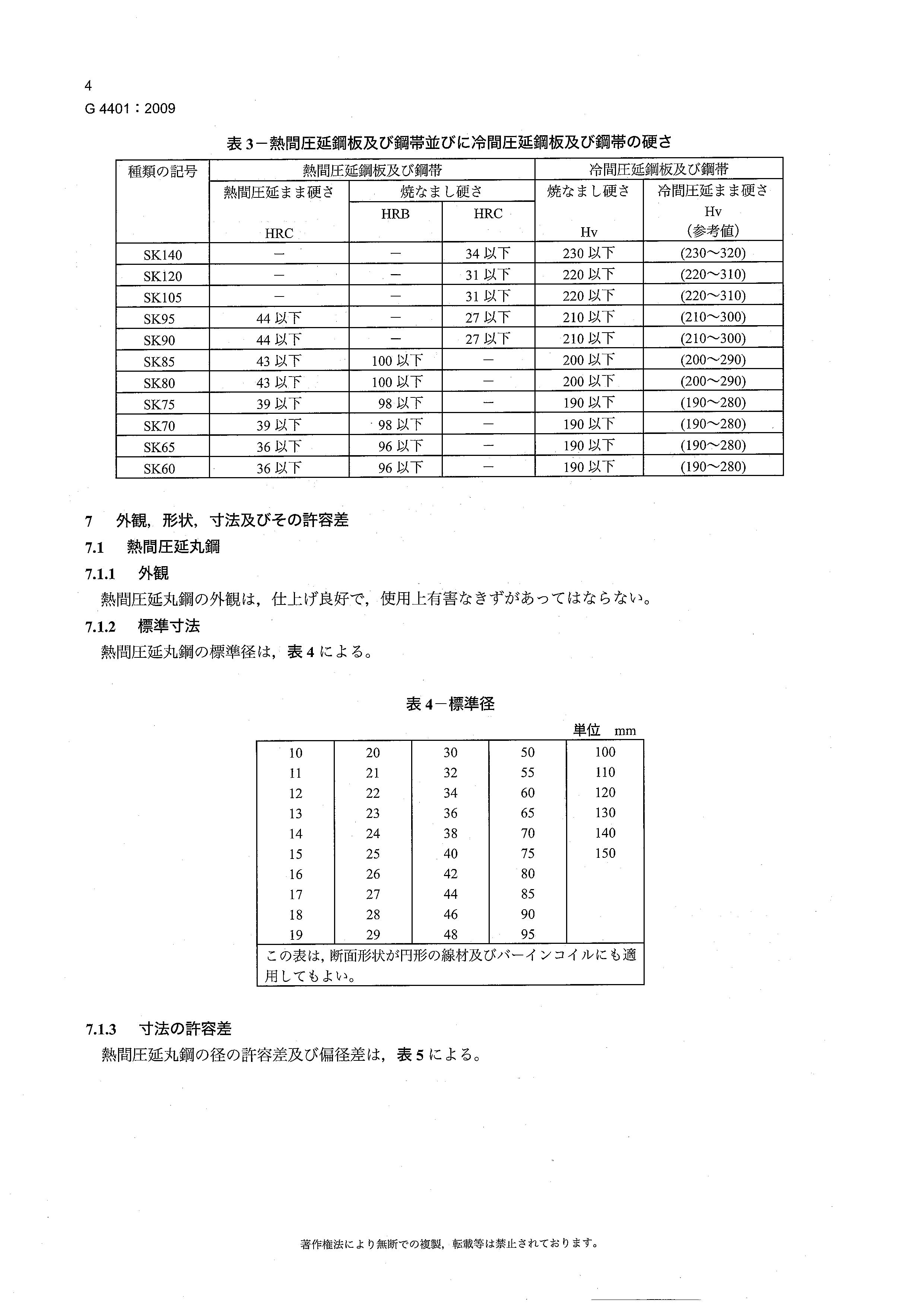
后部分请参看: 日本工业标准机械制造用碳素工具钢标准:JIS G4401-2009(2)
康女士
+86 155 0217 5701
kmeng@ushinedev.com
行业新闻
工艺的多样性
可供应的精度
商品原卷的售卖